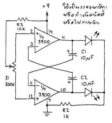
Mạch dao động đa hài khá hay! Tạo 2 xung ra lệch pha nhau giống như mạch dao động đa hài sử dụng transitor.
Mạch dao động đa hài khá hay! Tạo 2 xung ra lệch pha nhau giống như mạch dao động đa hài sử dụng transitor.
Phần Mềm
Liên kết tải phần mềm: DOWNLOAD Mật khẩu để sử dụng mọi chức năng trong cade simu …
ADMIN: Đào Xuân Thành, Thái Kim Nhàn
Blog là nơi chia sẻ kiến thức phi thương mại, blog không chịu trách nhiệm mọi bài viết thành viên đăng. Mọi thắc mắc hoặc muốn khiếu nạo gỡ bỏ thông tin trên blog xin vui lòng liên hệ mail: ewar.lili@gmail.com
0 Nhận xét
Bình luận văn minh không văn tục nha mấy bạn, hihi